





















Segue : Appendice C - Calcolo a rottura

Segue : Appendice GEO - Analisi Geotecnica





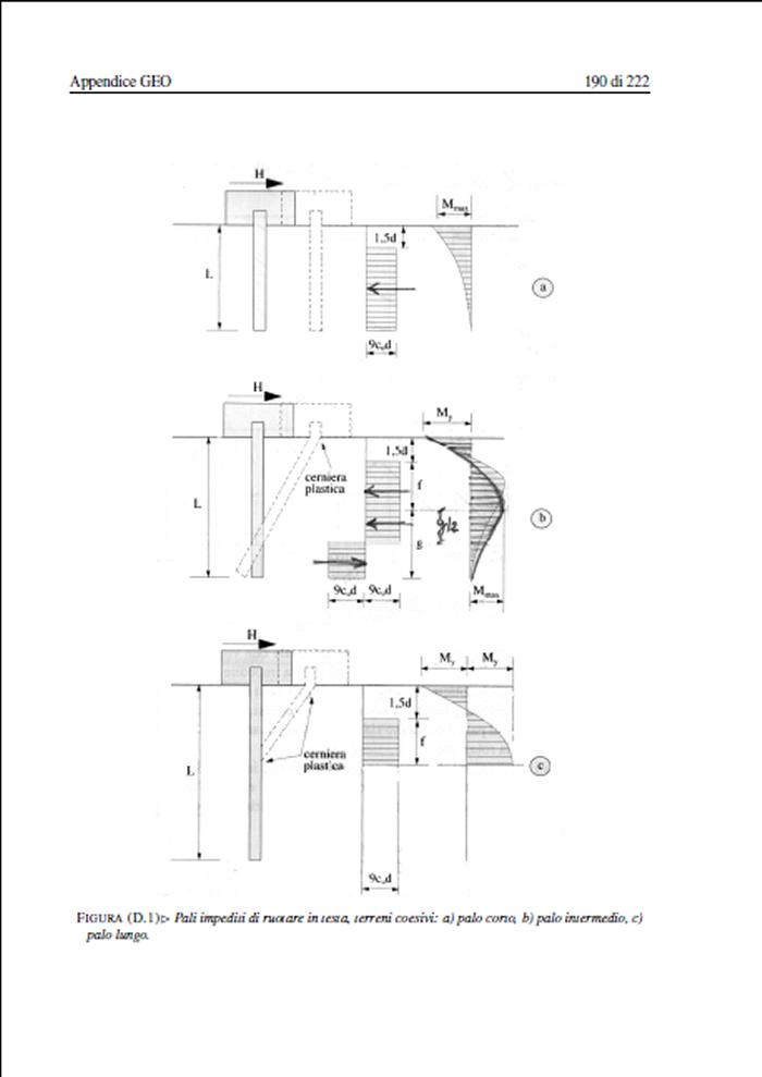
Segue : Appendice D - Calcolo del numero minimo
di pali con la teoria di Broms






Segue : Appendice E - Analisi numerica della fondazione
con il metodo degli elementi finiti
























Per inviare un messaggio: hsh@iperv.it